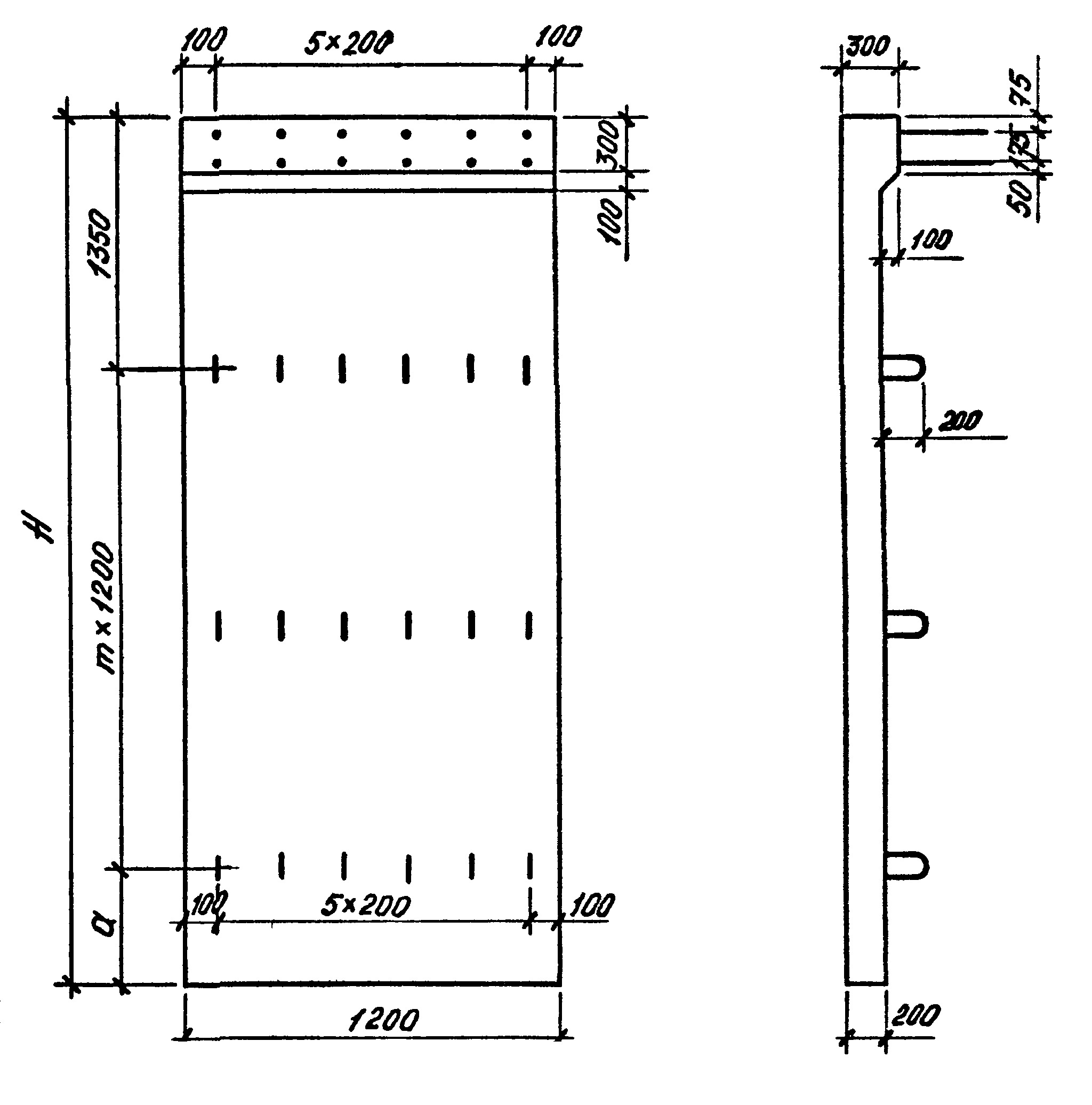
Плита фундаментная плоская ППФ 15-75 ТУ представляет собой железобетонное изделие, предназначенное для использования в строительстве фундаментов зданий и сооружений. Она имеет прочную структуру и высокую надежность, что обеспечивает долгий срок службы и устойчивость к внешним воздействиям.
Плита фундаментная плоская ППФ 15-75 ТУ широко применяется в строительстве как основной элемент фундаментов различных зданий и сооружений. Она используется для равномерного распределения нагрузки от строения на грунт, обеспечивая устойчивость и надежность конструкции. Плиты также могут использоваться в качестве основания для монтажа стен и перекрытий, что делает их важным элементом при возведении зданий любого типа и назначения.









